
检测服务 (气密性、金相分析等)
目前友智已经具备了搅拌摩擦焊产品的专业检测分析能力,可以为客户提供焊接产品的气密性检测、焊缝金相检测分析、焊缝内部缺陷检测、焊缝宽度、深度检测等服务。

气密性检测

金相检测

焊缝宽度、深度检测

焊缝隧道缺陷检测
· 焊缝质量检测

X光探伤检测

材料硬度检测

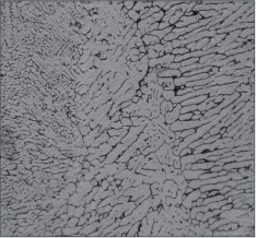
金相分析
X光探伤设备:属于产品无损检测,主要用于摩擦焊产品的焊缝缺陷检测,如暗沟、气孔、裂纹、塌陷等。
金相分析设备:需要对摩擦焊缝部位进行切片,打磨、抛光后金相观察测量,可以观察焊缝组织情况、焊缝轨迹,可以测量熔深、熔宽、焊缝中心度等。
· 三坐标检测

平面度、粗糙度;孔深、孔距、规格尺寸
· 气密检测

气密性检测方法:
分干检和水检两种,干检是通过气密检测仪在一定时间内检测泄露量是否符合标准,水检需要将产品置于水中,一定时间内观察是否有气泡泄露。
气密检测设备类型:
1) 通用设备+手动工装,满足打样测试;2) 通用气检仪+定制化自动工装,自动化检测,满足量产高效检测。
